Решение проблемы с пуском (клинами на запуске)

Классическая версия Мауа

Re: Решение проблемы с пуском (клинами на запуске)

Сообщение AKSU » 24 дек 2011, 01:43

Недавно снова всплыла у меня проблемка с подклиниванием на старте. Причем, на холодную чаще всего все ок, подклинивает на прогретом движке. Снова стал рыть, перечитал 19-21 страницы и задумался.
У СЕКУ-3 на входе стоит один кондер 1000x250v, весьма интереная емкость, и очень мизерная: я специально уточнил, это 1000пФ, т.е. 1нФ. У Микаса таких стоит три (правда уже на 500v), один между выводами и с каждого вывода на землю.
Ладно, вернемся к СЕКУ, я тут немного поштудировал их форум, и выяснил 2 вещи. Вопервых, рабочее напряжение кондера там не особо важно (я тоже кстати удивился - откуда там 250-500 вольт???). Вовторых, некоторые его там просто не ставят, и от этого ничего не меняется: если рассудить - емкость просто мизерная. Вобщем, Vital123 извини что с тобой спорил.

Учитывая, что уже есть успешные переделки по принципу СЕКУ, думаю и себе попробовать, переделки потребуются не значительные.

2 jhm: Ярослав, возможно все таки стоит подробнее изучить данный вопрос? Все таки над СЕКУ работает значительно больше разработчиков (в виду того, что проект открытый и бесплатный), да и разработчики Микаса тоже о чем-то думали. В Январе на входе вобще кондеров нет... Проблема ведь имеет место быть, и не в единичных случаях...
ВАЗ 21213, 2003г, 1.7л, газ/бензин, ЭБН, электровентиляторы, КП VDO 2115.
МПСЗ "Maya", ver. 1.3, fw: 2.1.45, 60-2, BOSCH BIP373 + BOSCH F000ZS0211 + NGK BPR6ES.
Bluetooth HC-06 + AndroMAYA.
Аватар пользователя
AKSU
 
Сообщений: 1323
Зарегистрирован: 17 ноя 2010, 01:26
Откуда: Украина, Киев, Оболонь
Авто: ВАЗ 21213 (2003)

Re: Решение проблемы с пуском (клинами на запуске)

Сообщение mitrix » 24 дек 2011, 03:18

Емкость на входе это фильтр от помех. Если использовать качественные провода и правильное заземление, то помех не должно быть.
М-2141, УЗАМ 1700, MaYa 1.7.202b, ОЗОН 2140-70, NGK IZFR6K - Продан
Lada Kalina Универсал, 1600 8 кл, цвет Персей - Продан
Lada Vesta, 1600, цвет Ангкор
Аватар пользователя
mitrix
 
Сообщений: 1254
Зарегистрирован: 12 май 2010, 17:20
Откуда: РФ, Сибирь, Новокузнецк
Авто: М-2141

Re: Решение проблемы с пуском (клинами на запуске)

Сообщение AKSU » 29 дек 2011, 20:36

Если голова не дает рукам покоя - значит она дурная! :-)
Переделал вход DUI по схеме SECU-3 (см 21ю стр. данной темы). Поездил - набралась уже определенная статистика. По моему, однозначно стало лучше, двигатель стал заводиться... мягче что-ли. Его уже не колбасит так на старте как рахита, клины на горячую пропали, а на холодную, по ощущениям, на полсекунды-секунду дольше приходится крутить стартером. :du_ma_et: Но возможно это не связано с переделкой... :nez-nayu: А возможно я просто мнительный! :ps_ih:

Update: Заводится с полпинка даже в мороз! :a_g_a:

Переделывал навесным монтажем, места для этого оказалось достаточно, главное, чтобы руки не тряслись! :)

Выпаял C22, R32, R33, D13. Вместо R32 и R33 проволокой напаял перемычки, и на искосок два диода LL4148 встречно параллельно. После, возле самого разъема зачистил дороги, залудил и параллельно припаял кондер на 1000пф на 50в и резистор 20кОм, после чего дороги перерезал и в разрыв два резистора по 10кОм (один из них раньше был R32). Вот фотка:
Изображение
После этого пошел и проверил на машине. Старт был не очень уверенный, возможно у меня все таки не очень хороший кабель стоит от ДПКВ или что-то с самим ДПКВ (проблемы с неделю назад начались). Снял блок и допаял прямо на разъеме еще 2 кондера по 1000пф от каждого вывода DUI на землю (на фотке нету), как в Микасе... И стало хорошо! :ya_hoo_oo: Так и езжу с тех пор и горя не знаю! :)
Последний раз редактировалось AKSU 18 янв 2012, 19:09, всего редактировалось 2 раз(а).
ВАЗ 21213, 2003г, 1.7л, газ/бензин, ЭБН, электровентиляторы, КП VDO 2115.
МПСЗ "Maya", ver. 1.3, fw: 2.1.45, 60-2, BOSCH BIP373 + BOSCH F000ZS0211 + NGK BPR6ES.
Bluetooth HC-06 + AndroMAYA.
Аватар пользователя
AKSU
 
Сообщений: 1323
Зарегистрирован: 17 ноя 2010, 01:26
Откуда: Украина, Киев, Оболонь
Авто: ВАЗ 21213 (2003)

Re: Решение проблемы с пуском (клинами на запуске)

Сообщение MuKeXa » 29 дек 2011, 22:50

AKSU писал(а): по 1000пф

О.Ф. Я как купил ленту таких, когда БК на скутер делал, так везде их тычу )))
ВАЗ_2109(88г). Доработанная M-Classic(V1.rev2). ДНО-ДУИ. BIP. 4x катушка 2111 .
Аватар пользователя
MuKeXa
 
Сообщений: 501
Зарегистрирован: 09 дек 2010, 12:53
Откуда: Украина. Киев
Авто: ВАЗ 2109

Re: Решение проблемы с пуском (клинами на запуске)

Сообщение AKSU » 29 дек 2011, 23:15

Этот БК? http://www.moto.com.ua/forum.php?id=104999
Да, El - молодец! Видел бы ты его копейку, это просто звездолет, блин! :-) А дома у него "Умный Дом" собственной разработки, это вобще жесть!
ВАЗ 21213, 2003г, 1.7л, газ/бензин, ЭБН, электровентиляторы, КП VDO 2115.
МПСЗ "Maya", ver. 1.3, fw: 2.1.45, 60-2, BOSCH BIP373 + BOSCH F000ZS0211 + NGK BPR6ES.
Bluetooth HC-06 + AndroMAYA.
Аватар пользователя
AKSU
 
Сообщений: 1323
Зарегистрирован: 17 ноя 2010, 01:26
Откуда: Украина, Киев, Оболонь
Авто: ВАЗ 21213 (2003)

Re: Решение проблемы с пуском (клинами на запуске)

Сообщение Konstruktor » 18 янв 2012, 18:01

Аксу, нарисуй схему пожалуйста, если не трудно. На словах сложно воспринимаю.
Нива, ВАЗ 21213 V1.7 с копейками, Статика 60-2, комутатор "Колхоз на BU931" две катушки Газель. САУВЗ, ГИГ.
Konstruktor
 
Сообщений: 18
Зарегистрирован: 22 май 2011, 19:44
Откуда: Томск
Авто: ВАЗ 21213

Re: Решение проблемы с пуском (клинами на запуске)

Сообщение AKSU » 18 янв 2012, 18:08

Зачем ее 10 раз рисовать? Она уже лежит на 21-й странице:
viewtopic.php?p=12175#p12175
Разница только в том, что на LM293 у нас под DUI задействованы ноги 5 и 6, а не 2 и 3.
ВАЗ 21213, 2003г, 1.7л, газ/бензин, ЭБН, электровентиляторы, КП VDO 2115.
МПСЗ "Maya", ver. 1.3, fw: 2.1.45, 60-2, BOSCH BIP373 + BOSCH F000ZS0211 + NGK BPR6ES.
Bluetooth HC-06 + AndroMAYA.
Аватар пользователя
AKSU
 
Сообщений: 1323
Зарегистрирован: 17 ноя 2010, 01:26
Откуда: Украина, Киев, Оболонь
Авто: ВАЗ 21213 (2003)

Re: Решение проблемы с пуском (клинами на запуске)

Сообщение AKSU » 18 янв 2012, 18:30

Ладно, если сильно непонятно, повторюсь.

ВСЕ ИЗМЕНЕНИЯ ВЫ ДЕЛАЕТЕ НА СВОЙ СТРАХ И РИСК!
После переделки, вас скорее всего лишат гарантии на блок! Так что думайте а нужно ли вам это?!

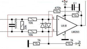
Выпаиваем C22, R32, R33, D13.
Вместо R32 и R33 - тонкой проволочкой делаем перемычки (акуратно, ибо там идеальное место для диодов).
Захват.JPG

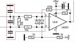
Добавляем то что выделено красным (остальное у нас есть - не трогаем!!!) - как на SECU-3.
DPKV_secu3_schema.jpg

У меня вышло так.
Изображение

Можно добавить еще 2 кондера на 1000пФ от каждого входа на массу, как на Микасе:
DPKV_micas_schema.JPG

Кстати, кондеры я использовал обычные SMD на 50в.

ПОВТОРЯЮ: ВСЕ ИЗМЕНЕНИЯ ВЫ ДЕЛАЕТЕ НА СВОЙ СТРАХ И РИСК!
Если что-то сломаете - я не виноват! ::yaz-yk: У меня все работает. :smu:sche_nie:
Если дрожат руки или нет опыта поверхностного монтажа - лучше не лезть!
Последний раз редактировалось AKSU 24 янв 2012, 22:13, всего редактировалось 1 раз.
ВАЗ 21213, 2003г, 1.7л, газ/бензин, ЭБН, электровентиляторы, КП VDO 2115.
МПСЗ "Maya", ver. 1.3, fw: 2.1.45, 60-2, BOSCH BIP373 + BOSCH F000ZS0211 + NGK BPR6ES.
Bluetooth HC-06 + AndroMAYA.
Аватар пользователя
AKSU
 
Сообщений: 1323
Зарегистрирован: 17 ноя 2010, 01:26
Откуда: Украина, Киев, Оболонь
Авто: ВАЗ 21213 (2003)

Re: Решение проблемы с пуском (клинами на запуске)

Сообщение casus » 24 янв 2012, 19:56

Интересно попробовать на ДУИ-ДНО. Видимо цепи обоих датчиков так придется переделывать
ВАЗ 21093, 89г. Запущено!!!: Ver.1 Rev:3 Fw:201b, ДУИ+ДНО, Статика на 2-х катушках. Отчет
casus
 
Сообщений: 176
Зарегистрирован: 01 сен 2010, 22:22
Авто: ВАЗ 21093

Re: Решение проблемы с пуском (клинами на запуске)

Сообщение AKSU » 24 янв 2012, 20:06

ДНО наверное нет смысла переделывать, там и так все четко! :)
Кстати, недавно увидел у себя провал после 4500 rpm. Я конечно редко на столько кручу движек, но провал тем не менее присутствует. В чем причина - задранный УОЗ на газу (на бензине не проверял), или переделанный вход, я к сожалению без осциллографа не пойму...
ВАЗ 21213, 2003г, 1.7л, газ/бензин, ЭБН, электровентиляторы, КП VDO 2115.
МПСЗ "Maya", ver. 1.3, fw: 2.1.45, 60-2, BOSCH BIP373 + BOSCH F000ZS0211 + NGK BPR6ES.
Bluetooth HC-06 + AndroMAYA.
Аватар пользователя
AKSU
 
Сообщений: 1323
Зарегистрирован: 17 ноя 2010, 01:26
Откуда: Украина, Киев, Оболонь
Авто: ВАЗ 21213 (2003)

Пред.След.

Вернуться в Maya-Classic

Кто сейчас на форуме

Сейчас этот форум просматривают: нет зарегистрированных пользователей и гости: 0

cron