Помогите разобраться...

Техподдержка старых версий с free.maya-auto.com

Помогите разобраться...

Сообщение Pavel » 06 фев 2016, 16:44

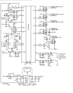
Решил собрать некомерческую версию,но в радиотехнике не силен! Скачал печатку viewtopic.php?f=86&t=348
(Автор Сергей Патока). Печатная плата от принципиальной схемы отличается.... Кто-то может скинуть принципиальную схему к этой печатной плате,или помочь немного разобраться.
На данной печатной плате нарисованы диоды "L" и "D" . Что это за диоды? и что за транзисторы используются?
Вложения
help.jpg
Pavel
 
Сообщений: 3
Зарегистрирован: 05 фев 2016, 00:46
Авто: Хожу пешком

Re: Помогите разобраться...

Сообщение AKSU » 06 фев 2016, 17:23

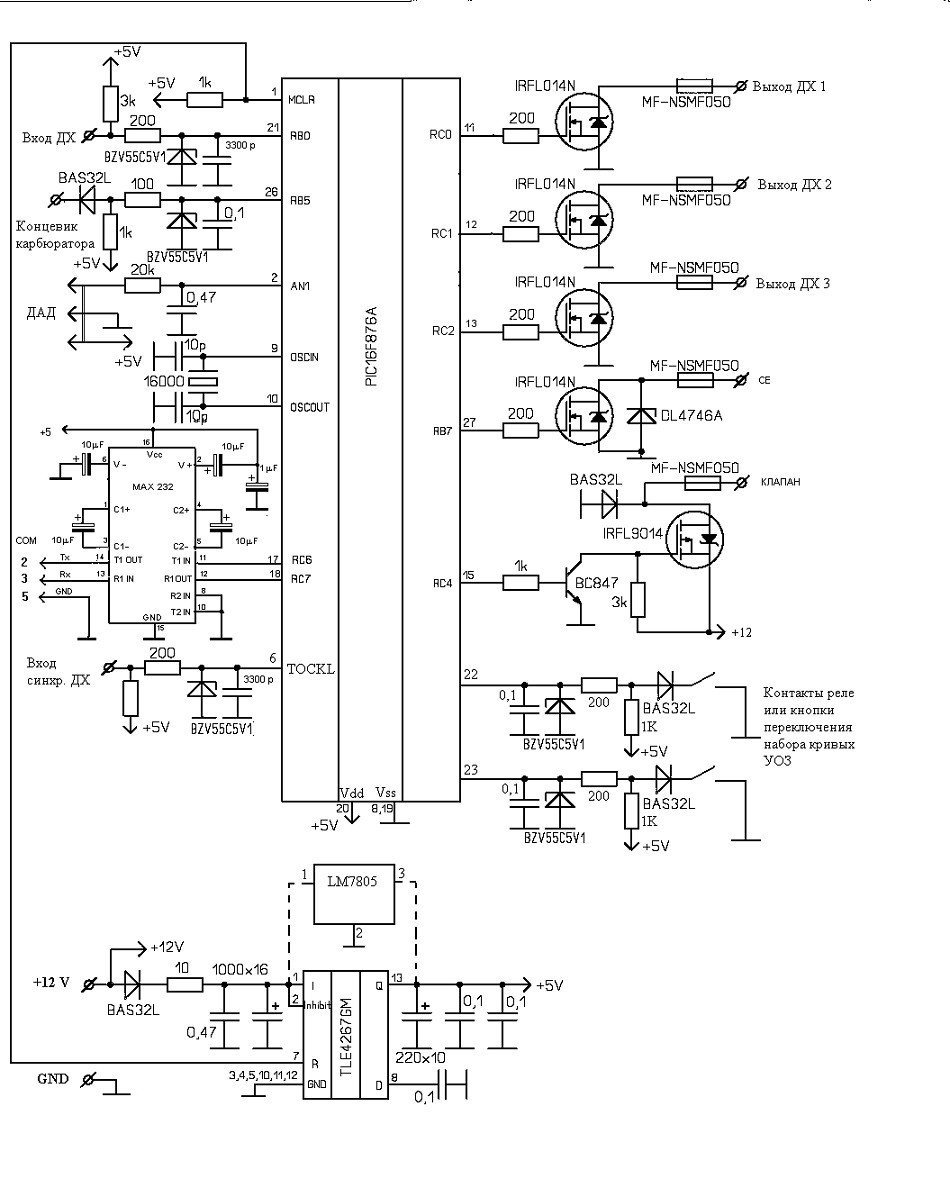
Не нужно быть сильным в технике, чтоб посмотреть в схему viewtopic.php?f=86&t=211 (судя по печатке, собираете вариант с датчиком холла) и выяснить, что верхний диод BAS32L, он там один возле выхода на клапан.
Средний тоже BAS32L, он там тоже один возле входа +12. Собственно, он стоит для защиты схемы от переполюсовки. Его во первых лучше заменить на диод шоттки, схема будет лучше работать при значительных просадках напряжения (на пример, зимой, при попытках завести остывший за ночь движек). А лучше заменить на перемычку, а диод шоттки припаять на вход, и питание подавать уже на диод, т.к. полевик на управлении клапаном, как выяснилось, тоже иногда сгорает при таком подводе питания, если не дай бог перепутать плюс с минусом. Соответственно, во втором случае диод шоттки должен быть на 3-5А (в зависимости от мощности электромагнита в клапане + запас).
Нижний - вход концевика карба, там тоже BAS32L стоит.
Собственно, если мельком взглянуть на схему, то там почти все диоды это BAS32L, за исключением пары стабилитронов.

И на основании чего сделан вывод что печатка отличается от схемы? Для человека который сам признал, что не силен в теме - это очень смелое заявление.
ВАЗ 21213, 2003г, 1.7л, газ/бензин, ЭБН, электровентиляторы, КП VDO 2115.
МПСЗ "Maya", ver. 1.3, fw: 2.1.45, 60-2, BOSCH BIP373 + BOSCH F000ZS0211 + NGK BPR6ES.
Bluetooth HC-06 + AndroMAYA.
Аватар пользователя
AKSU
 
Сообщений: 1323
Зарегистрирован: 17 ноя 2010, 01:26
Откуда: Украина, Киев, Оболонь
Авто: ВАЗ 21213 (2003)

Re: Помогите разобраться...

Сообщение Pavel » 06 фев 2016, 18:14

Спасибо!
Pavel
 
Сообщений: 3
Зарегистрирован: 05 фев 2016, 00:46
Авто: Хожу пешком

Re: Помогите разобраться...

Сообщение Pavel » 09 фев 2016, 18:43

Подскажите,какие транзисторы можна использовать в данной печатной плате???
Автор этой печатки явно использовал транзисторы в корпусе ТО92,но не указал какие..... :-(
В принципиальной схеме используются транзисторы типа:

BC847 Корпус (SOT23)
IRFL9014 Корпус(SOT223)
IRFL014N Корпус(SOT223)

Буду очень благодарен за помощь....
Вложения
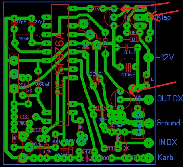
plata.jpg
Печатная плата (Датчик холла)
DX2.jpg
Датчик Холла
Pavel
 
Сообщений: 3
Зарегистрирован: 05 фев 2016, 00:46
Авто: Хожу пешком

Re: Помогите разобраться...

Сообщение Valentin44 » 02 мар 2016, 17:01

В качестве N канальніх, любіе с напряжением 30-50 вольт, и током хоть 1 ампер. В общем, любые.
В качестве P канального, напряжение надо брать поболее, 55-100 вольт. Ток от 3 А.
ГАЗ-21 Система управления двигателем Invent
ставил инжектор MaYa... и да же ездил:)
Был мпсз коммерческий 60-2 (до этого ДУИ+ДНО) на статике
Ездил на фришке ДУИ+ДНО на статике
Аватар пользователя
Valentin44
 
Сообщений: 1030
Зарегистрирован: 14 май 2010, 16:23
Откуда: Украина, Кривой Рог
Авто: ГАЗ-21


Вернуться в Некоммерческая версия Maya

Кто сейчас на форуме

Сейчас этот форум просматривают: нет зарегистрированных пользователей и гости: 0

cron