

Ustus писал(а):так всеж сколько стоит сиё устройство?
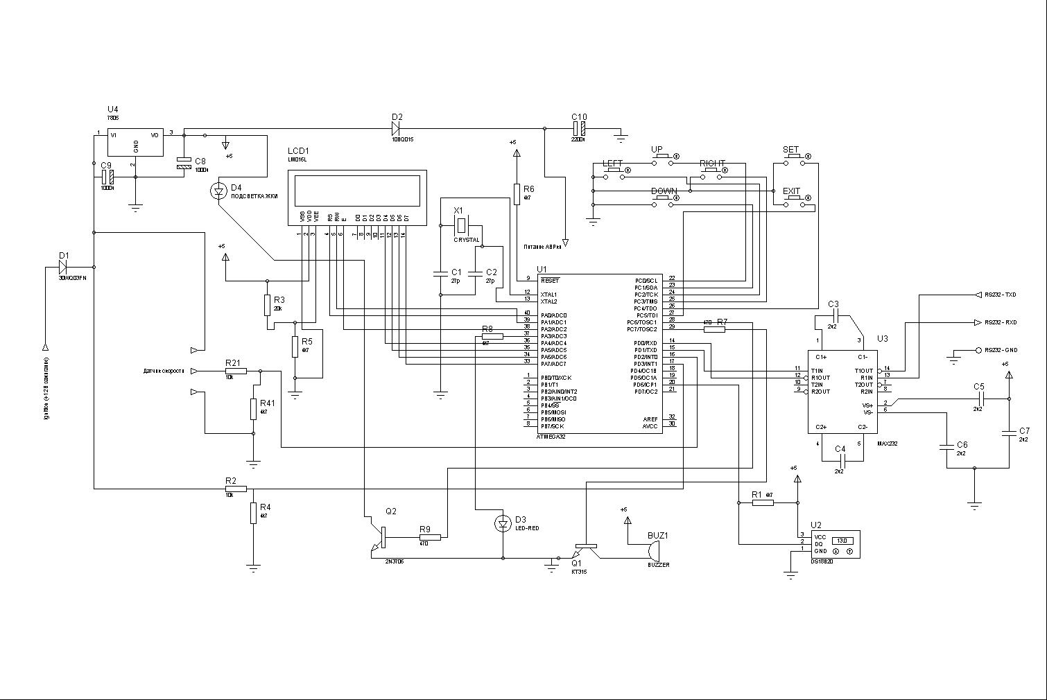
barabashka_yury писал(а):На данный момент разработан Бортовой Комп, в двух, бесплатной и коммерческой версиях.
Обе версии работают на одной и той же аппаратной платформе, тоесть отличие ТОЛЬКО в прошивке.
Ustus писал(а):а как все-таки скоро может появиться, в той или иной модификации

Вернуться в Периферийные устройства Maya
Сейчас этот форум просматривают: нет зарегистрированных пользователей и гости: 1