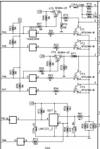
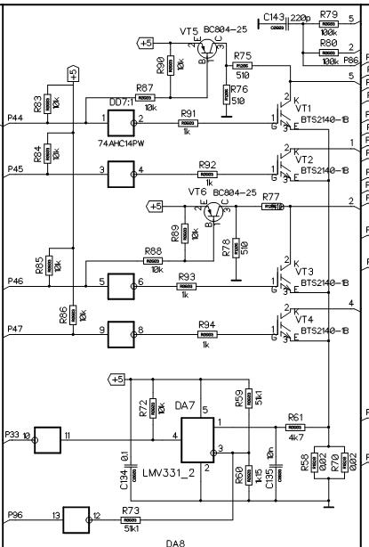
Да, защиту по току обязательно надо. Иначе катушка может сказать превед очень быстро. Правда защита реализуется несложно - через обратную связь по резистору.
Насчет покупки BIP373 - в личку пожалуйста
barabashka_yury писал(а):январь уже решил проблему защиты, ребята, схему дать?...
barabashka_yury писал(а):защиту ты какраз вырезал )))))
сигнал с резистора в эмиттере, через компаратор - это сигнал защиты, а дальше транзюк на ключ и ему в базу этот сигнал.
, грешу на модуль 2112
чем на MaYa и пропусков нет 
Firwood писал(а):грешу на модуль 2112
Сейчас этот форум просматривают: нет зарегистрированных пользователей и гости: 1