jhm писал(а):Любые вопросы насчет Maya
Krot писал(а):jhm писал(а):Любые вопросы насчет Maya
Почему на сайте нет службы поддержки, номеров телефонов и адреса офиса?
Это при условии полной предоплаты.
Настораживает.

jhm писал(а):Любые вопросы насчет Maya
Krot писал(а):jhm писал(а):Любые вопросы насчет Maya
какова разница в настройке и конечном результате работы между 60-2 и 6+1?
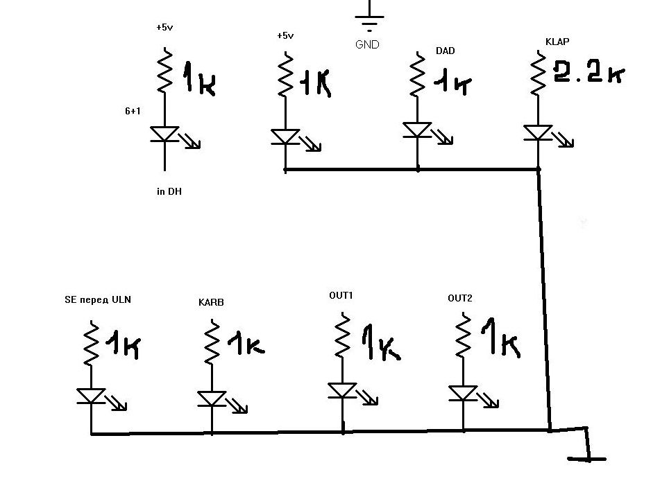
VLAD писал(а):Karalex писал(а):Вот для этого я светики в блок и всунул. Вход, два выхода, дад, се, клап, карб, +5.
Чтоб потом сразу видеть, что к чему.
Схемку можно как подключал?
Krot писал(а):какова разница в настройке и конечном результате работы между 60-2 и 6+1?
Сейчас этот форум просматривают: нет зарегистрированных пользователей и гости: 1