Для начинающих

Классическая версия Мауа

Re: Для начинающих

Сообщение AlexCold » 15 фев 2014, 13:16

Ставил через втулку и прокладку, контакта между болтом и корпусом нет, перепроверил мультиметром по сопротивлению. распайка я так понял такая:
1YzBl9Op1B3D731ktdc55Tyu4H8H3evg.png
Москвич 21412, 1.7, 1990г.
Maya rev.5 (ver.2), 2.1.45, 60-2, Motorcraft 928F-12029-CA + BIP373.
тест: bk2 www 16b5
тест: AMY
AlexCold
 
Сообщений: 302
Зарегистрирован: 20 мар 2012, 20:53
Откуда: Мошны
Авто: М21412

Re: Для начинающих

Сообщение AlexCold » 15 фев 2014, 15:13

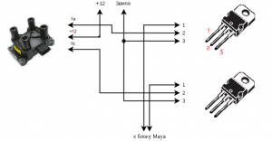
Как проверить работоспособность BIPов? будут ли они работать с волго катушками? И они ли это?
Безымянный.jpg
Москвич 21412, 1.7, 1990г.
Maya rev.5 (ver.2), 2.1.45, 60-2, Motorcraft 928F-12029-CA + BIP373.
тест: bk2 www 16b5
тест: AMY
AlexCold
 
Сообщений: 302
Зарегистрирован: 20 мар 2012, 20:53
Откуда: Мошны
Авто: М21412

Re: Для начинающих

Сообщение PSP » 15 фев 2014, 15:27

У меня для BIP стоит 6мс,правда вольтметра нет (обвязка не распаяна ) ничего не греется.
ваз2108v1.3 MaYa 60-2 статика на BIP373 v.1.7.207c
PSP
 
Сообщений: 45
Зарегистрирован: 04 мар 2012, 21:02
Авто: ваз 2108v1300

Re: Для начинающих

Сообщение AlexCold » 15 фев 2014, 15:29

PSP писал(а):У меня для BIP стоит 6мс,правда вольтметра нет (обвязка не распаяна ) ничего не греется.

Так там и обвязки то нет
Москвич 21412, 1.7, 1990г.
Maya rev.5 (ver.2), 2.1.45, 60-2, Motorcraft 928F-12029-CA + BIP373.
тест: bk2 www 16b5
тест: AMY
AlexCold
 
Сообщений: 302
Зарегистрирован: 20 мар 2012, 20:53
Откуда: Мошны
Авто: М21412

Re: Для начинающих

Сообщение jhm » 15 фев 2014, 19:41

AlexCold писал(а):Как проверить работоспособность BIPов? будут ли они работать с волго катушками? И они ли это?
Безымянный.jpg

Надо подключить катушки и подать импульс +5в на управляющий вход. Должна быть искра
МПСЗ Мауа http://www.maya-auto.com
ЭБУ Invent http://www.invent-labs.com
Переделка мех. впрыска на электронный
Аватар пользователя
jhm
 
Сообщений: 3213
Зарегистрирован: 12 май 2010, 10:19
Откуда: Украина, Львов
Авто: Audi A4 1.8T Invent EMS

Re: Для начинающих

Сообщение vitek54607 » 16 фев 2014, 17:56

60-2, BIP373, нет искры с катушки, проверял выходы с блока диодом-моргает. Входы на BIPах- моргает, а вот на выходах еле еле различил что диод моргает. Причина в BIPах или в чем то другом? Менеджер обороты показывает правильно, даже без заземления.
ВАЗ-2108:60-2, катушка 2111, коммутаторы BIP-373, 2.1.28c
vitek54607
 
Сообщений: 28
Зарегистрирован: 16 фев 2014, 17:48
Откуда: Орел
Авто: 2108

Re: Для начинающих

Сообщение AlexCold » 16 фев 2014, 19:32

по ходу у меня возможно таже проблема, завтра попробую дать на вход бипа + 5 вольт, можно ли их взять с блока маии или БК WWW2 но без последствий для последних?
Москвич 21412, 1.7, 1990г.
Maya rev.5 (ver.2), 2.1.45, 60-2, Motorcraft 928F-12029-CA + BIP373.
тест: bk2 www 16b5
тест: AMY
AlexCold
 
Сообщений: 302
Зарегистрирован: 20 мар 2012, 20:53
Откуда: Мошны
Авто: М21412

Re: Для начинающих

Сообщение PSP » 16 фев 2014, 19:34

vitek54607,у тебя блок какой версии.
ваз2108v1.3 MaYa 60-2 статика на BIP373 v.1.7.207c
PSP
 
Сообщений: 45
Зарегистрирован: 04 мар 2012, 21:02
Авто: ваз 2108v1300

Re: Для начинающих

Сообщение vitek54607 » 16 фев 2014, 19:59

на плате стоит v2.3
ВАЗ-2108:60-2, катушка 2111, коммутаторы BIP-373, 2.1.28c
vitek54607
 
Сообщений: 28
Зарегистрирован: 16 фев 2014, 17:48
Откуда: Орел
Авто: 2108

Re: Для начинающих

Сообщение AlexCold » 17 фев 2014, 17:18

Дал на вход БИПа +5 вольт, тишина. На выходе тоже без изменений, как было +12 от катушки, так и осталось. Значит мне всунули что то другое вместо БИПа, или я умудрился их сжечь во время пайки
Москвич 21412, 1.7, 1990г.
Maya rev.5 (ver.2), 2.1.45, 60-2, Motorcraft 928F-12029-CA + BIP373.
тест: bk2 www 16b5
тест: AMY
AlexCold
 
Сообщений: 302
Зарегистрирован: 20 мар 2012, 20:53
Откуда: Мошны
Авто: М21412

Пред.След.

Вернуться в Maya-Classic

Кто сейчас на форуме

Сейчас этот форум просматривают: нет зарегистрированных пользователей и гости: 1

cron