Для начинающих

Классическая версия Мауа

Re: Для начинающих

Сообщение Romchik » 27 сен 2010, 04:52

barabashka_yury писал(а):Поделиться набранным опытом и ужтем более перенять чужой я всегда рад :-)

Я тоже рад, поделится опытом, последнее, чем я могу делиться со всеми и оно не заканчивается :-):
barabashka_yury писал(а):Ты же к эзернету не привяжешь модуль зажигания.

Только сейчас дошел до меня смысл этих слов, когда я нашел модуль зажигания для статики!
Могу наспор замутить такое и будет у катушки зажигания свой IP и WEB интерфейс! :-), только на счет задержки по сети не уверен. Просто когда-то занимался, делал TCP/IP стек на микроконтроллере.
Здесь шли разговоры как можно обойтись без MAX232 и подключить прямо в USB. Эта тема меня тоже не обошла стороной, я использовал USB шнур от телефона Siemens, но это не факт, что только от сименса, может подойти от многих телефонов, если в шнуре замечено утолщение или отдельная коробочка, что не свойственно прямому кабелю, то возможно там уже стоит готовый преобразователь. Для того, чтобы использовать шнур, нужно установить драйвер, обычно это распространённый драйвер виртуального COM порта - PL-2303. Ну и собственно сам шнур:Изображение
Аватар пользователя
Romchik
 
Сообщений: 24
Зарегистрирован: 22 сен 2010, 21:50
Откуда: Харьков
Авто: М2141

Re: Для начинающих

Сообщение barabashka_yury » 27 сен 2010, 09:06

Romchik писал(а):Могу наспор замутить такое и будет у катушки зажигания свой IP и WEB интерфейс! :-), только на счет задержки по сети не уверен. Просто когда-то занимался, делал TCP/IP стек на микроконтроллере.


:-) :-) :-) Я про физику говорил, а не про логику. В том смысле что к порту ты модуль не прикрутишь :-) Хотя... как подумать... Я щас стек делаю, точнее пингеры-ребутеры-свитчеконтроллеры :-) На меге. Если есть какие наработки то поделись... Прототип сделал, в принципе работает, часть кода из инета скопипастил, часть сам писал :-):
2106, 79г.в. 1600см3, вебер, коммерческая прошивка, статика на коммутаторах и катушках от ГАЗ.
Аватар пользователя
barabashka_yury
 
Сообщений: 725
Зарегистрирован: 12 май 2010, 17:21
Откуда: Кировогадская область, город Гайворон.

Re: Для начинающих

Сообщение Paratruper » 27 сен 2010, 09:46

Кому из вас лень завести новую тему про роутеры? Не захламляйте топик. :co_ol:
Аватар пользователя
Paratruper
 
Сообщений: 1465
Зарегистрирован: 12 май 2010, 00:44
Откуда: Belarus/Gomel

Re: Для начинающих

Сообщение yaroshek » 27 сен 2010, 12:24

Romchik, имеется USB кабель с м/с PL2303 если я правильно понял, чтоб сделать переходник com-usb, нужно эти выводы RX, TX и землю припаять к соответствующим выводам на COM разъём - и все должно работать?
Настройка ДУИ + ДНО, статика на 2-х катушках.
Изображение
yaroshek
 
Сообщений: 102
Зарегистрирован: 19 авг 2010, 22:42
Откуда: Петрозаводск
Авто: ВАЗ 2109

Re: Для начинающих

Сообщение jhm » 27 сен 2010, 12:34

Нет, так сгорит кабель. Есть 2 варианта:
1. Припаять кабель к MAX232 и получить стандартный компорт
2. Вывести с блока ТТЛ сигналы и подключить напрямую к кабелю.
МПСЗ Мауа http://www.maya-auto.com
ЭБУ Invent http://www.invent-labs.com
Переделка мех. впрыска на электронный
Аватар пользователя
jhm
 
Сообщений: 3213
Зарегистрирован: 12 май 2010, 10:19
Откуда: Украина, Львов
Авто: Audi A4 1.8T Invent EMS

Re: Для начинающих

Сообщение Romchik » 27 сен 2010, 12:42

Paratruper писал(а):Кому из вас лень завести новую тему про роутеры? Не захламляйте топик. :co_ol:

Извиняюсь за хлам, если нетрудно, с Вашего позволения я создал тему, можно перенести всё, что ненужно здесь - сюда.
Аватар пользователя
Romchik
 
Сообщений: 24
Зарегистрирован: 22 сен 2010, 21:50
Откуда: Харьков
Авто: М2141

Re: Для начинающих

Сообщение Romchik » 27 сен 2010, 12:55

yaroshek писал(а):Romchik, имеется USB кабель с м/с PL2303 если я правильно понял, чтоб сделать переходник com-usb, нужно эти выводы RX, TX и землю припаять к соответствующим выводам на COM разъём - и все должно работать?

Ну если убрать из блока MAX232, то там останутся выводы, которые идут в микроконтроллер, вот туда и нужно припаивать, GND (земля) обязательно! Я его протестировал не только с МПЗ, но и еще с кучей разных устройств, типа модемов и точек доступа, работает отлично. Главное не забывать номер COM порта, некоторые программы его находят автоматически, в некоторых нужно указывать номер, некоторые программы категорически нехотят видеть если номер порта лежит за пределами СОМ1 и СОМ2 нужно настраивать и задавать номер того-же СОМ1 и последнее может быть, что нужно будет настративать параметры порта обычно некоторые программы неустраивает скорость или управление потоком, последнее крайне редко встречается. И на последок, есть пропатченый драйвер для PL2303, позволяет связываться на большой скорости, в сети можно его найти, если нет, то спросите у меня.
Аватар пользователя
Romchik
 
Сообщений: 24
Зарегистрирован: 22 сен 2010, 21:50
Откуда: Харьков
Авто: М2141

Re: Для начинающих

Сообщение yaroshek » 27 сен 2010, 14:43

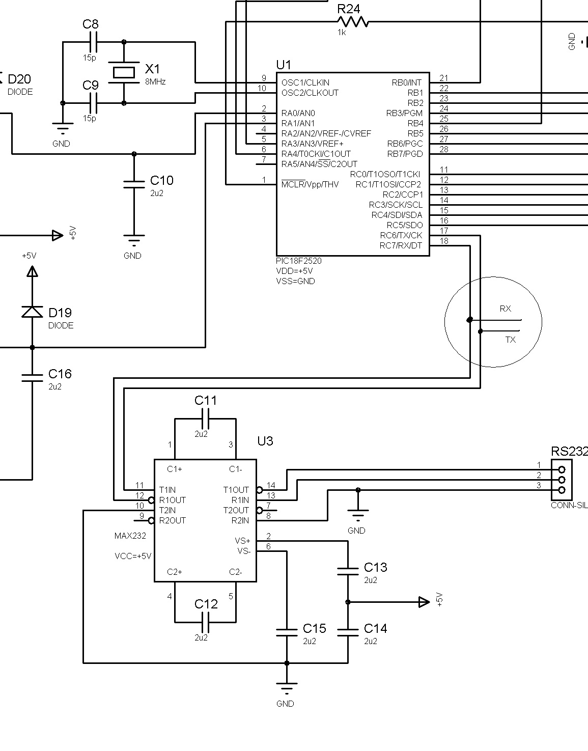
если обходить MAX232, то можно отсюда взять RX и TX?
Вложения
0.GIF
0.GIF (27.82 KIB) Просмотров: 8104
Настройка ДУИ + ДНО, статика на 2-х катушках.
Изображение
yaroshek
 
Сообщений: 102
Зарегистрирован: 19 авг 2010, 22:42
Откуда: Петрозаводск
Авто: ВАЗ 2109

Re: Для начинающих

Сообщение yaroshek » 27 сен 2010, 14:58

А если сделать "нормальный" кабель с MAX232, то эту м/с(МАХ232) нужно будет подключать "зеркально" к встроенной МАХ232 в блоке?
Настройка ДУИ + ДНО, статика на 2-х катушках.
Изображение
yaroshek
 
Сообщений: 102
Зарегистрирован: 19 авг 2010, 22:42
Откуда: Петрозаводск
Авто: ВАЗ 2109

Re: Для начинающих

Сообщение Romchik » 27 сен 2010, 16:57

yaroshek писал(а):А если сделать "нормальный" кабель с MAX232, то эту м/с(МАХ232) нужно будет подключать "зеркально" к встроенной МАХ232 в блоке?

Если к USB кабелю подключить МАХ232 выводами RX и TX, то в кабеле нужно будет еще найти провод питания +5v, я его отрезал, чтобы не путаться каждый раз. Вот тогда получтися почти полноценный СОМ порт (со стандартными выходами), но в MSDOS работать не будет!
Напоминаю, что уровень TTL(там где RX и TX) логич."1"=+5v а логич."0"=0v, а у порта COM логич."1"=+12v а логич."0"=-12v, значения приблизительные, но как видите уровни совершенно несовместимые с жизьнью микроконтроллера или материнской платы. Можно, конечно попытаться подключить на прямую и посмотреть кто кого победит, всегда бывает по разному или в материнке выгорает порт или микроконтроллер дохнет, или вобще ничего небывает.
Аватар пользователя
Romchik
 
Сообщений: 24
Зарегистрирован: 22 сен 2010, 21:50
Откуда: Харьков
Авто: М2141

Пред.След.

Вернуться в Maya-Classic

Кто сейчас на форуме

Сейчас этот форум просматривают: нет зарегистрированных пользователей и гости: 1

cron