Maya v2 rev-4.

Классическая версия Мауа

Re: Maya v2 rev-4.

Сообщение AlT » 12 мар 2012, 23:56

yarikne писал(а):Бывает после считывания калибровок в менеджере все графики скачут хаотично.

У меня хаос наблюдается (обычно курсор летает), когда стоит галка "показывать УОЗ в реальном времени".
Сначала надо отключить её, потом скачать графики, потом уже запустить двигатель и включать отображение УОЗ.
Надо делать так, как нужно. А так, как ненужно, делать не нужно.
-----------------------------------------------------------------------------------
ВАЗ 2121 1983 г., MAYA Classic, 60-2, статика, катушка 2111, BIP373
AlT
 
Сообщений: 226
Зарегистрирован: 03 июн 2010, 23:16
Откуда: zp.ua
Авто: Нива 2121, 1983

Re: Maya v2 rev-4.

Сообщение drakoniln » 19 май 2012, 19:50

melnikov писал(а)::ya_hoo_oo: Все заработало! отогнул 1 и 2 ноги на ULN подцепил в разрыв по диоду и все стало нормально ЭПХХ работает, CE работает.


Как подключать диоды?
М 2140\УЗАМ-412 1500\Solex 21083\60-2\статика-сдвоенная катушка+коммутаторы\MaYa v2 (rev5)+LCD+ДД+maya_v2_2.1.28c
Аватар пользователя
drakoniln
 
Сообщений: 106
Зарегистрирован: 10 май 2012, 16:40
Авто: москвич 2140

Re: Maya v2 rev-4.

Сообщение melnikov » 19 май 2012, 20:11

на ULN 2003 отогнул 1 и 2 ногу подпаял к ним по диоду 4007, а второй конец воткнул в разъем.
Вложения
диоды.jpg
ВАЗ 21099, MAYA rev4 статика модуль 2110
Аватар пользователя
melnikov
 
Сообщений: 144
Зарегистрирован: 10 дек 2011, 20:45
Откуда: Набережные Челны
Авто: ВАЗ 21099(97г), rev4, 60-2, модуль 2110,

Re: Maya v2 rev-4.

Сообщение jhm » 19 май 2012, 21:49

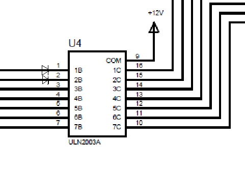
Очень странное подключение. Выходит что обратный импульс от реле пробивается через микросхему на процессор. Если это так, то думаю ULN-ка со временем сгорит в таком режиме.
Следовало бы подключить диод вот так:
Вложения
diodes.png
diodes.png (9.52 KIB) Просмотров: 7711
МПСЗ Мауа http://www.maya-auto.com
ЭБУ Invent http://www.invent-labs.com
Переделка мех. впрыска на электронный
Аватар пользователя
jhm
 
Сообщений: 3213
Зарегистрирован: 12 май 2010, 10:19
Откуда: Украина, Львов
Авто: Audi A4 1.8T Invent EMS

Re: Maya v2 rev-4.

Сообщение melnikov » 20 май 2012, 18:50

по крайней мере так у меня работает.
ВАЗ 21099, MAYA rev4 статика модуль 2110
Аватар пользователя
melnikov
 
Сообщений: 144
Зарегистрирован: 10 дек 2011, 20:45
Откуда: Набережные Челны
Авто: ВАЗ 21099(97г), rev4, 60-2, модуль 2110,

Пред.

Вернуться в Maya-Classic

Кто сейчас на форуме

Сейчас этот форум просматривают: нет зарегистрированных пользователей и гости: 1

cron