jhm писал(а):Поздравляю :) Откуда схему то взяли?
Сам нарисовал! Неужели не видишь?!

jhm писал(а):Поздравляю :) Откуда схему то взяли?

Ты че творишь??? У тебя саперов случайно в семье не было???
"Туши мое пламя бензином!", мля!

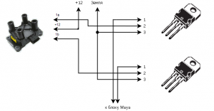
ХЗ че он у тебя гудит! Ты там просушку свечей или тест коммутатора не включил случайно? Или может прошивка тестовая? А питание ты на него с чего подаешь (БП или АКБ)?kortez писал(а):Ребят, чего-то я туплю. Почему при подключении тахометра на столе он гудит и стрелка на 3000, а при подключении в машине и вкл. зажигании стрелка на 0. На нем в машине нет питания? Как он тогда работает?
mitrix писал(а):3000 оборотов это переменка 50 Гц. Ты точно ему постоянку подал?
Сейчас этот форум просматривают: нет зарегистрированных пользователей и гости: 1