Maya своими руками

Классическая версия Мауа

Re: Maya своими руками

Сообщение kela » 19 сен 2011, 08:13

Сверху есть вкладка ЗАКАЗАТЬ там узнаешь все
ВАЗ 2106, 1500см3, пока КСЗ. Собираю и пока тестирую 60-2
kela
 
Сообщений: 32
Зарегистрирован: 13 фев 2011, 20:35
Откуда: Украина, Николаев
Авто: ВАЗ 2106

Re: Maya своими руками

Сообщение faziks » 19 сен 2011, 08:16

там только целиком коробка, продается .комплектующих нету,мне бы проц и плату
faziks
 
Сообщений: 4
Зарегистрирован: 18 сен 2011, 09:44
Авто: toyota tercel 2A

Re: Maya своими руками

Сообщение Valentin44 » 19 сен 2011, 08:20

А если хорошо посмотреть? :)
Есть отдельно коробка, плата, проц.
ГАЗ-21 Система управления двигателем Invent
ставил инжектор MaYa... и да же ездил:)
Был мпсз коммерческий 60-2 (до этого ДУИ+ДНО) на статике
Ездил на фришке ДУИ+ДНО на статике
Аватар пользователя
Valentin44
 
Сообщений: 1030
Зарегистрирован: 14 май 2010, 16:23
Откуда: Украина, Кривой Рог
Авто: ГАЗ-21

Re: Maya своими руками

Сообщение faziks » 19 сен 2011, 08:22

тычу собери сам а там коплектующих нет.
faziks
 
Сообщений: 4
Зарегистрирован: 18 сен 2011, 09:44
Авто: toyota tercel 2A

Re: Maya своими руками

Сообщение Valentin44 » 19 сен 2011, 08:38

Это другое дело.
ГАЗ-21 Система управления двигателем Invent
ставил инжектор MaYa... и да же ездил:)
Был мпсз коммерческий 60-2 (до этого ДУИ+ДНО) на статике
Ездил на фришке ДУИ+ДНО на статике
Аватар пользователя
Valentin44
 
Сообщений: 1030
Зарегистрирован: 14 май 2010, 16:23
Откуда: Украина, Кривой Рог
Авто: ГАЗ-21

Re: Maya своими руками

Сообщение kwmetr » 30 окт 2011, 23:42

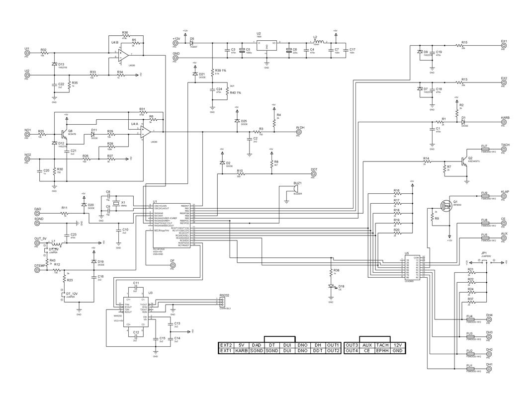
Хочу вступить в клуб строителей Maya. Прочитал всю ветку крыша едет... Но усердие и труд всех ... озадачит. Вот изучая схему и назначение выводов имею трудности... Знающие, прошу уточнений в обозначении выводов в схеме REV 3:
UI1 ; UI2 …?
NO1; NO2 …?
IN DH…?
DDT…?
EX1; EX2…?
KLAP…?
CE; AUX…?
DH1-DH4…?
В описании назначения выводов такие выводы отсутствуют… скорее всего абривиатура выводов в схеме немного не такая. Нарисуйте на вложенной схемке куда что подходит, пожалуйста, или укажите соответствия…
Вложения
maya rev 3.JPG
kwmetr
 
Сообщений: 22
Зарегистрирован: 12 окт 2011, 21:55
Откуда: Киев
Авто: Barkas B1000

Re: Maya своими руками

Сообщение casus » 31 окт 2011, 10:12

kwmetr писал(а):Хочу вступить в клуб строителей Maya. Прочитал всю ветку крыша едет... Но усердие и труд всех ... озадачит. Вот изучая схему и назначение выводов имею трудности... Знающие, прошу уточнений в обозначении выводов в схеме REV 3:


UI1 ; UI2 …? ДУИ
NO1; NO2 …? ДНО
IN DH…? Вход от Датчика Холла (если раздача через трамблер)
DDT…? Цифровой датчик температуры
EX1; EX2…? Внешн. переключение наборов кривых Бенз1/2 Газ1/2
KLAP…? Электромагн. клапан на карбе
CE; - - лампа Check Engine - оно же блокировка стартера. Можно просто светодиод в панель
AUX…? - Выход для управления внешними устройствами по событию - настраивается в менеджере
DH1-DH4…? - выходы на коммутаторы/модули зажигания . по традиции DH1 - 2-3цил. DH2 - 1-4 цил.

доки рулят :
http://maya-auto.com/dokumentaciya/blok ... e-vyvodov/
ВАЗ 21093, 89г. Запущено!!!: Ver.1 Rev:3 Fw:201b, ДУИ+ДНО, Статика на 2-х катушках. Отчет
casus
 
Сообщений: 176
Зарегистрирован: 01 сен 2010, 22:22
Авто: ВАЗ 21093

Re: Maya своими руками

Сообщение kwmetr » 31 окт 2011, 12:20

Спасибо огромное за ответ.
А собирал, кто нибудь на макетке? Платы нет...
kwmetr
 
Сообщений: 22
Зарегистрирован: 12 окт 2011, 21:55
Откуда: Киев
Авто: Barkas B1000

Re: Maya своими руками

Сообщение Valentin44 » 31 окт 2011, 13:41

Закажи плату. Это будет НАДЕЖНЕЕ!!!!!!!! И не так дорого.
На макетке не стоит делать, это совсем не надежно. А стоять где-то по среди дорого очень не хотяца потом.
ГАЗ-21 Система управления двигателем Invent
ставил инжектор MaYa... и да же ездил:)
Был мпсз коммерческий 60-2 (до этого ДУИ+ДНО) на статике
Ездил на фришке ДУИ+ДНО на статике
Аватар пользователя
Valentin44
 
Сообщений: 1030
Зарегистрирован: 14 май 2010, 16:23
Откуда: Украина, Кривой Рог
Авто: ГАЗ-21

Re: Maya своими руками

Сообщение kwmetr » 31 окт 2011, 15:18

Valentin44 писал(а):Закажи плату. Это будет НАДЕЖНЕЕ!!!!!!!! И не так дорого.
На макетке не стоит делать, это совсем не надежно. А стоять где-то по среди дорого очень не хотяца потом.


...да не вопрос, с удовольствием, но у кого? :nez-nayu:

Спасибо jhm MK предложил, хоть синица в руках будет... Может где под заказ сделают? :ne_vi_del:
kwmetr
 
Сообщений: 22
Зарегистрирован: 12 окт 2011, 21:55
Откуда: Киев
Авто: Barkas B1000

Пред.След.

Вернуться в Maya-Classic

Кто сейчас на форуме

Сейчас этот форум просматривают: нет зарегистрированных пользователей и гости: 1

cron